压力阀
-
液压原理图型号描述插孔压力流量
-
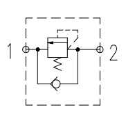
直动座阀式先导阀
VC08-2
350Bar
1.5L/min
-
直动滑阀式溢流阀
VC08-2
350Bar
30lpm
-
直动式溢流阀
T-3A
350Bar
200L/min









