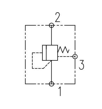
压力补偿阀
2个相关型号
-
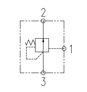
液压原理图型号描述插孔压力流量
-
压力补偿阀
VC10-3
350Bar
80L/min
-
压力补偿阀
VC12-3
240Bar
57L/min
2 个相关型号








