液控逻辑阀
3个相关型号
-
液压原理图型号描述插孔压力流量
-
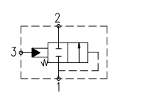
液控逻辑阀
VC08-3
345bar
38L/min
-
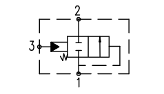
液控逻辑阀
10-3S
350Bar
75L/min
-
液控逻辑阀
VC12-S3
350Bar
151.4L/min
3 个相关型号









