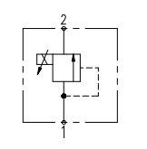
溢流阀
-
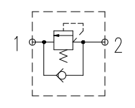
液压原理图型号描述插孔压力流量
-
比例溢流阀
VC08-2
350Bar
30L/min
-
溢流阀
VH002
350Bar
60L/min
-
溢流阀
VH002
350Bar
60L/min









