展开全部
收起全部
-
技术特性
-
技术曲线

-
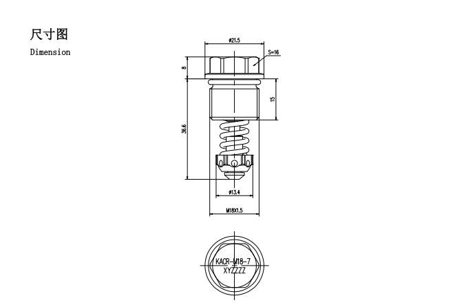
技术参数
额定压力350bar设定压力50bar,Q=5L/min流量请查看《压力-流量曲线图》插孔VH002过滤参考《油液清洁度》温度-40°F to +250°F(-40°C to +120°C)油液Mineral-based fluids with viscosities of 7.4 to 420 cSt.(矿物油粘度) -
文件下载
-
相关辅件









