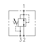
减压阀
-
液压原理图型号描述插孔压力流量
-
减压阀
VC08-30
250Bar
16lpm
-
减压溢流阀(三通,滑阀)
T-11A
350Bar
40lpm
-
减压溢流阀(三通滑阀)
08-3
350Bar
30lpm









